Utilizziamo i cookie per assicurarti la migliore esperienza nel nostro sito. Questo sito utilizza i cookie, anche di terze parti, per inviarti messaggi promozionali personalizzati. Per saperne di più ed eventualmente disabilitarli, accedi alla Cookie Policy. Se prosegui nella navigazione di questo sito acconsenti all’utilizzo dei cookie.

SG-P12-040-010-15-R2-0100
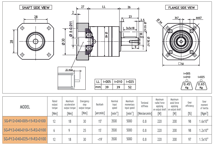
SG-P12-040-010-15-R2-0100

INTRODUCCIÓN

Los reductores propuestos por RTA se caracterizan por un grado de protección IP64, producidos y testados en Italia.
La amplia gama de reductores planetarios y todos sus motores compatibles están siempre en almacén, para requisitos más específicos, con plazos de entrega cortos.

ESPECIFICACIONES TÉCNICAS

SG-P12-040-010-15-R2-0100 reductor planetario con tamaño de la brida 50 mm., 010 relación de transmisión y par de salida nominal 6 Nm.
Apropiado para ser utilizado en combinación con el motor paso a paso SANYO DENKI de a continuación:
MOTOR BRUSHLESS R2AA04010FXH1CM